My Cart $-.--
Shop by Category
Quick Order
0
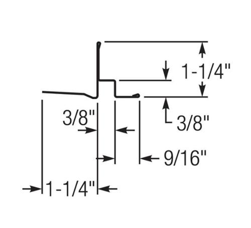
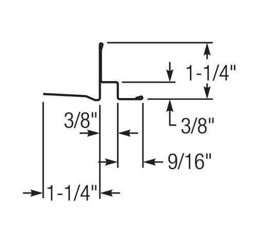
Home Acoustical USG USG Grid DXT

DXT

Not all products are available in all areas.

Filters

In Stock

Store

More Less

Shipping

Length